Thursday, June 9, 2016
SAMSUNG HT-C550 - 5.1CH Digital Home Theater System - Initialization – How to Update the Micom – Troubleshooting – no power – No video HDMI – Region code setting – Power supply Schematic diagram – ICE2QS03 – ICE3BR4765J - Blury player Repair and service
Category: Blu Ray Player Repair and Service
Contents of this article
- How to initialize the player
- Power supply schismatic diagram
- Region code setting
SAMSUNG HT-C550
Micom initial
In no Disc condition, press ‘STOP’ button of Main Unit more than 5 seconds, VF Display will happen to INIT and M int. Then Initialization complete.
In no Disc condition, press ‘STOP’ button of Main Unit more than 5 seconds, VF Display will happen to INIT and M int. Then Initialization complete.
Micom Update
1. Prepare or Make a DISC-CD or DVD or USB that contains “C550WWM.SSP’ file for update.
2. Play the USB, then “updating” will appear on the screen, then Power will go out after showing ‘complete’ on the screen.
3. Press “Power” key and Press ‘Stop’ button of the remote control more than 5 seconds in No Disc.
1. Prepare or Make a DISC-CD or DVD or USB that contains “C550WWM.SSP’ file for update.
2. Play the USB, then “updating” will appear on the screen, then Power will go out after showing ‘complete’ on the screen.
3. Press “Power” key and Press ‘Stop’ button of the remote control more than 5 seconds in No Disc.
Checking out MICOM & MPEG flash Version
1. On Root state, Select ‘Set up’.
2. Press “Enter” and move Support.
3. Press “Enter”.
4. Check product information: “SW ver” on TV Display and “Micom SW Ver” on Front ASS’y VFD.
1. On Root state, Select ‘Set up’.
2. Press “Enter” and move Support.
3. Press “Enter”.
4. Check product information: “SW ver” on TV Display and “Micom SW Ver” on Front ASS’y VFD.
DVD flash Initialization & Update
1. Prepare a DISC-CD or DVD or USB that contains ‘C550WWB.ROM’ file for Update.
2. Play the DISC or USB, then ‘Updating’ will appear on the screen, then Power will go out and on.
3. Then DISC-TRAY will open, then remove the DISC or USB, making the Unit as ‘NO DISC’ state.
4. Press ‘STOP’ button of Main Unit for more than 5 seconds, Display Indicator shows ‘INITIALIZE’ then Power goes out.
1. Prepare a DISC-CD or DVD or USB that contains ‘C550WWB.ROM’ file for Update.
2. Play the DISC or USB, then ‘Updating’ will appear on the screen, then Power will go out and on.
3. Then DISC-TRAY will open, then remove the DISC or USB, making the Unit as ‘NO DISC’ state.
4. Press ‘STOP’ button of Main Unit for more than 5 seconds, Display Indicator shows ‘INITIALIZE’ then Power goes out.
Troubleshooting
Main Power
No power detected
(Stand by LED off)
(Stand by LED off)
Check FR is ok
Check voltages CON3 Pin 12, 13, 14 is 5.4V?
Check voltages ICFB5401 Pin 1 is 2.5V
No Sound
1 . Check JA5 input signals. (1khz signal)
Check speakers. (speaker change)
2 .Check AIC4, AIC19 input signals (AC54, AC55, AC56, AC1, AC2, AC3)
Replace AMP IC. (AIC4, AIC19)
3. Check MPEG DAC output (1.7v offset) (pin 83, 84, 85, 88, 89, 90 of IC10 ES8398)
Check DAC output signal lines between IC10 and AIC4 and AIC19
4. Check DAC3.3V of IC10 (pin 86)
Replace IC10.
Check Power Lines. (Check IC36).
HDMI Video
Analog (Composite) Video OK but HDMI
1. Check Pin 117, 118, 120, 121, 123, 124, 126, 127 of IC10
Check HDMI POWER supply. (PLL_3.3V, VDD1.2v)
2. Check IC11 power (3.3V
Check 3.3V power lines
3. Check if 480p output Is ok.
Replace MPEG IC
4. Check Voltage pin110 pin of IC10 (1.5V~1.8V)
Check PLL3.3V lines and VDD1.2V lines and R150, R151, R152 value.
Replace MPEG IC
Buyer-Region Code Setting Method
1. Press the “AUX” button on the remote control.
2. Press the "TUNER MEMORY" button on the remote control during 4>5 seconds.
2. Press the "TUNER MEMORY" button on the remote control during 4>5 seconds.
3. After step (2), you can see “TEST” on the VFD.
4. When you see “TEST” on VFD, Insert number “4”, “6” to start Region Code setting mode.
4. When you see “TEST” on VFD, Insert number “4”, “6” to start Region Code setting mode.
5. After step (4), you can see “− −” on the VFD. Insert the Region Code (Below table) corresponding model with “0 > 9” buttons on the remote control.
Area | HT-C550 Region Code |
Africa / Pakistan | 00 |
Brazil | 01 |
Canada | 02 |
China (semi_mic) | 03 |
Europe | 04 |
Indonesia / Hongkong | 05 |
Japan | 06 |
Korea | 07 |
Latin American | 08 |
Mexico | 09 |
Philippines | 10 |
Russia (full_mic) | 11 |
Russia (semi_mic) | 12 |
South Africa | 13 |
Taiwan | 14 |
USA | 15 |
Newzealand | 16 |
England | 17 |
Australia | 18 |
Iran (HACO) | 19 |
India | 20 |
Israel | 21 |
Middle Asia | 22 |
Asia | 23 |
Singapore | 24 |
Block diorama and description
The loader reads disc data and it goes through SERVO part in MPEG ic(ES8393). The data from loader will be decoded by MPEG processing and Video data and Audio data will go out.
The firmware of MPEG ic is programmed to FLASH.
When MPEG is boot up, the data from FLASH is dumpped to SDRAM.
EEPROM will save back-up information from MPEG ic.
The video data goes out in two different ways. Analog video data is going out to composite and component jack via buffer ic(THS7374), and HDMI video data goes to HDMI jack directly.
The Audio data is going out to Power AMP block. The amp block will process the audio data from MPEG ic and the sound goes throgh speakers.
AUX2, AUX1, ipod, Tuner and mic data will go through ADC block in MPEG ic. The data from ADC will do the same processing like SERVO.
USB data from USB device and SPDIF data from optical jack also do the same things.
Audio Micom(LC87C5N) is the HOST controller of the system.
It will control MPEG ic, CEC micom, VFD, Touch key ic, tuner pack, and wireless module.
The firmware of MPEG ic is programmed to FLASH.
When MPEG is boot up, the data from FLASH is dumpped to SDRAM.
EEPROM will save back-up information from MPEG ic.
The video data goes out in two different ways. Analog video data is going out to composite and component jack via buffer ic(THS7374), and HDMI video data goes to HDMI jack directly.
The Audio data is going out to Power AMP block. The amp block will process the audio data from MPEG ic and the sound goes throgh speakers.
AUX2, AUX1, ipod, Tuner and mic data will go through ADC block in MPEG ic. The data from ADC will do the same processing like SERVO.
USB data from USB device and SPDIF data from optical jack also do the same things.
Audio Micom(LC87C5N) is the HOST controller of the system.
It will control MPEG ic, CEC micom, VFD, Touch key ic, tuner pack, and wireless module.
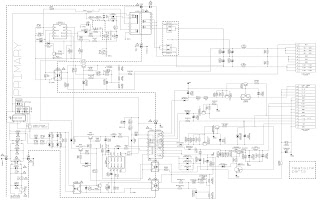
SMPS POWER SUPPLY SCHEMATIC
ICE2QS03 – ICE3BR4765J
Labels:
BLU RAYS
Subscribe to:
Post Comments (Atom)



No comments:
Post a Comment