Wednesday, June 15, 2016
PANASONIC - AG-AC7P - Memory Card Camera Recorder – Service mode – factory reset - Lithium Battery repayment – service position – Digital Camera repair and service
Category: Digital camera Repair and Service
Contents of this article
- How to access service mode
- Lithium battery replacement
- Factory reset procedure
PANASONIC AG-AC7P
Service Mode
1. Indication method of the service menu
Set the mode switch “Motion Picture Recording” mode.
2. Turn the power on, and then while keep pressing the “Zoom lever” to W side, “Focus” switch and “Menu” button for more than 3 seconds until the top screen of the Service Mode Menu being displayed.
1. Indication method of the service menu
Set the mode switch “Motion Picture Recording” mode.
2. Turn the power on, and then while keep pressing the “Zoom lever” to W side, “Focus” switch and “Menu” button for more than 3 seconds until the top screen of the Service Mode Menu being displayed.
How to Replace the Lithium Battery
Replacement Procedure
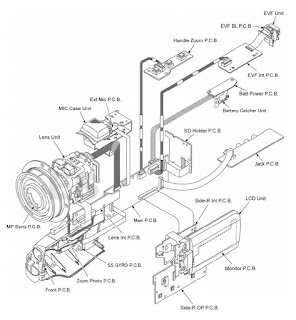
1. Remove the Side-R Int P.C.B.. (Refer to Disassembly Procedures.)
2. Remove the Lithium battery (Ref. No. “B6701” at foil side of Side-R Int P.C.B.) and then replace it into new one.
1. Remove the Side-R Int P.C.B.. (Refer to Disassembly Procedures.)
2. Remove the Lithium battery (Ref. No. “B6701” at foil side of Side-R Int P.C.B.) and then replace it into new one.
CAUTION:
The battery used in this device may present a risk of fire or chemical burn if mistreated.
Do not recharge, disassemble, heat above 100°C (212°F), or incinerate.
Replace battery with Panasonic part number ML-614S/ZTK only. Use of another battery may present a risk of fire or explosion.
Dispose of used battery promptly. Keep away from children.
Do not disassemble and do not dispose of in fire.
The battery used in this device may present a risk of fire or chemical burn if mistreated.
Do not recharge, disassemble, heat above 100°C (212°F), or incinerate.
Replace battery with Panasonic part number ML-614S/ZTK only. Use of another battery may present a risk of fire or explosion.
Dispose of used battery promptly. Keep away from children.
Do not disassemble and do not dispose of in fire.
Do not using service mode except above table of Service Menu.
3. End method of the top screen of the service menu. Push the “Menu” button to end the service mode, and then POWER OFF.
3. End method of the top screen of the service menu. Push the “Menu” button to end the service mode, and then POWER OFF.
Lock Search History Indication
Touch the [ 4 ] of LCD, select Lock search history indication.
Touch the [ 4 ] of LCD, select Lock search history indication.
Indication contents
• Lock search history indication.
Display the camera system error cord for three histories saved in EEPROM.
• The error cord contents which are displayed.
• Lock search history indication.
Display the camera system error cord for three histories saved in EEPROM.
• The error cord contents which are displayed.
Power ON Self Check Result Display
Touch the [ 5 ] of LCD, select Power ON self check result display.
Touch the [ 5 ] of LCD, select Power ON self check result display.
Indication contents
• Power ON self check result display.
Function to diagnose correct function of the device and interface between devices result display.
Display the following communication test result.
- CAM-PWR : Communication test between IC2006 to IC301.
- CAM-UNI : Communication test between IC3401 to IC301.
Display other than “OK” are abnormalities of each lines.
Cutting of battery connection or AC power supply connection to end the service mode.
• Power ON self check result display.
Function to diagnose correct function of the device and interface between devices result display.
Display the following communication test result.
- CAM-PWR : Communication test between IC2006 to IC301.
- CAM-UNI : Communication test between IC3401 to IC301.
Display other than “OK” are abnormalities of each lines.
Cutting of battery connection or AC power supply connection to end the service mode.
Service Position
This Service Position is used for checking and replacing parts. (Extension cable is not use.)
This Service Position is used for checking and replacing parts. (Extension cable is not use.)
Factory Setting
How To Turn On The Factory Settings
1. Set the mode switch “Motion Picture Recording” mode.
2. Turn the power on, and then while keep pressing the “Zoom lever” to W side, “Focus” switch and “Menu” button for more than3 seconds until the top screen of the Service Mode Menu being displayed.
How To Turn On The Factory Settings
1. Set the mode switch “Motion Picture Recording” mode.
2. Turn the power on, and then while keep pressing the “Zoom lever” to W side, “Focus” switch and “Menu” button for more than3 seconds until the top screen of the Service Mode Menu being displayed.
3. Touch the [ 1 ] of LCD.
4. Touch the [ YES ] of LCD.
5. After few seconds “END” is displayed on LCD monitor. Cutting of battery connection or AC power supply connection as a completion of the “FACTORY SETTINGS”.
4. Touch the [ YES ] of LCD.
5. After few seconds “END” is displayed on LCD monitor. Cutting of battery connection or AC power supply connection as a completion of the “FACTORY SETTINGS”.
What Is The Factory Settings
The factory settings clean up and/or refresh the following settings.
1. MENU, MODE, ADJUSTMENT VALUE.
2. SD card format.
3. Reset the folder number and file number of still pictures. (Setting the folder number is 100, and file number is 0.)
4. Clear the mechanism lock information.
5. Clear the service mode information contents.
6. Initialize the VIERA Link Physical Address
The factory settings clean up and/or refresh the following settings.
1. MENU, MODE, ADJUSTMENT VALUE.
2. SD card format.
3. Reset the folder number and file number of still pictures. (Setting the folder number is 100, and file number is 0.)
4. Clear the mechanism lock information.
5. Clear the service mode information contents.
6. Initialize the VIERA Link Physical Address
Labels:
CAMERAS
Subscribe to:
Post Comments (Atom)



No comments:
Post a Comment